电子工程师或者硬件工程师在进行电路设计时,应该经常会遇到电阻选型的问题,今天我就来谈谈电阻选型需要注意哪些参数?以及电阻选型的方法。
本文引用地址:
电阻选型需要注意的参数
主要参数是以下四个:
1、阻值
2、封装
3、功耗
4、精度
那怎么确定电阻选型参数呢?下面我将进行较为详细的分解。
电阻选型技巧
1、确定电阻安装方式
首先确定贴片电阻还是插件?目前,大部分选择贴片电阻。
贴片电阻和插件电阻案例示意图2、确定电阻的阻值
(1)根据电路计算取值
可以根据分压电路、反馈电路、取样电路等,计算出阻值。如果计算出来的阻值不是常见的阻值,那就可以通过电阻串联或者并联来得到我们想要的阻值。
下图是精度为 5%的碳膜电阻阻值表,以欧姆(Ω)为单位的标称值。

碳膜电阻阻值表
(2)根据电阻数据手册取值
设计电路的应该都知道,必不可少的就是各类数据手册,也就是datasheet,大家可以参考手册上的具体应用电路,按照上面的建议取值。
(3)根据积累的经验取值
比如上拉电阻,阻值通常是1k、4.7K、10K、100K等。阻值越小,上拉和下拉都会越强,大家可以根据自己电路的设计合理选择电阻,这点更适合有经验的老手,新手只能慢慢积累经验。
图片来源于网络3、选择封装和功耗
电阻功耗:电阻功耗一般选用多大?这个可以根据电阻功耗公式计算,P=W/t=UI=I²R=(U²)/R,大家可以选择对应的公式进行计算。关于功耗这个地方,其实还和可靠性有关,涉及比较广,下次再讲电阻的可靠性。
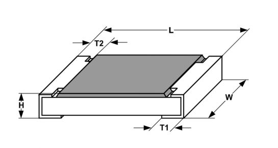
电阻封装:要综合考虑功耗、PCB尺寸、生产工艺等因素,必须要合理选择封装,比较常见的封装有0201、0402、0603、0805、1206、1812等。
电阻封装有哪几种类型呢?下图是常见贴片电阻封装功耗尺寸表,大家可以参考。贴片电阻封装尺寸功耗图
图中T1表示A,T2表示B4、选择电阻精度
电阻精度越高越好吗?当然不是,精度需要综合考虑电路性能、成本、采购方便性等因素综合考虑,例如在电压反馈电路、取样电路中,要求1%精度,其他的默认为5%精度。常规的精度为5%、1%、0.1%、10%、15%,一般情况下精度越高价格越贵。下图是不同位置的色环颜色所表示的含义,具体怎么识别色环,下次再聊。
不同位置的色环颜色所表示的含义图5、考虑成本和采购风险
采购风险:就需要注意到有的型号是不是会停产、或者比较难买的型号,如果有5个1%精度10K的电阻,有3个5%精度的10K电阻,而产品对成本又没有过高的要求,可以统一使用1%精度的,减少物料采购的种类,也方便贴片。
成本:不同的封装方式价格会不同,不同的精度价格也不同,10%比5%精度更便宜,在满足要求的情况下,尽量选择低成本的。
6、PCB尺寸
板子选择越小,那封装也尽量选择小的,例如PCB尺寸比较小时,可以选择可以选择0402,PCB尺寸适中,可以选择0603,这样对工艺要求低一点。
7、贴片加工工艺
通常情况下来说PCB尺寸越大,对工艺的要求越低,0603与0402一般加工厂可以生产,但主要还是和工厂的机器相关,满足需求的情况下,尽量不选择过小封装、降低工艺要求。
8、维修便捷性
大家都知道在电路设计到量产,中间或多或少都会出现几次改版,尺寸越小,焊接难度越大,维修起来越困难,越耽误时间,所以在满足需要的情况下,不要选择过小的封装,比如0402,0201这种小封装,有一次我就把手给烫到了,我是不想再焊这么小封装的电阻了,不知道大家有没有过类似把手烫到的经历?有没有焊过这样小封装的电阻?
焊接贴片电阻图
常见贴片封装大小示意图(0603这么小,眼睛都要瞎了,小声bibi)有小伙伴手贴过0402、0201封装大小的电阻没?什么感受?
电阻选型考虑哪些因素?除了上面讲的几点,大家认为还要考虑哪些因素?欢迎大家在评论区交流。
领取最新办卡资费,添加 微信:sjzqb888 备注:办卡!
如若转载,请注明出处:https://www.fyzq6.com/24636.html
相关推荐
-
有什么超划算的【神级流量卡】推荐?19元/月长期卡,限时上架!斗罗大陆:海神缘开启,官方一个骚操作被骂惨了,网友吐槽真恶心
作者:岩铭运营商专营店 作为资深套餐侠,游戏王者,行动的WiFi侠,经手的流量卡不下上百种种! 总算是被我发现了一款10月份还能上新的19元长期有155G全国高速流量的神仙流量卡了…
-
特色养殖“百花齐放”_内蒙古库伦旗托起乡村致富梦
Warning: Undefined variable $ex_word in /www/wwwroot/www.fyzq6.com/wp-content/themes/justnews6.0.1/functions.php on line 1174
Warning: Undefined variable $case in /www/wwwroot/www.fyzq6.com/wp-content/themes/justnews6.0.1/functions.php on line 1174
Warning: Undefined variable $ex_word in /www/wwwroot/www.fyzq6.com/wp-content/themes/justnews6.0.1/functions.php on line 1175
Warning: Undefined variable $case in /www/wwwroot/www.fyzq6.com/wp-content/themes/justnews6.0.1/functions.php on line 1175
Warning: Undefined variable $case in /www/wwwroot/www.fyzq6.com/wp-content/themes/justnews6.0.1/functions.php on line 1177
Warning: Undefined variable $ex_word in /www/wwwroot/www.fyzq6.com/wp-content/themes/justnews6.0.1/functions.php on line 1179
Warning: Undefined variable $ex_word in /www/wwwroot/www.fyzq6.com/wp-content/themes/justnews6.0.1/functions.php on line 1174
Warning: Undefined variable $case in /www/wwwroot/www.fyzq6.com/wp-content/themes/justnews6.0.1/functions.php on line 1174
Warning: Undefined variable $ex_word in /www/wwwroot/www.fyzq6.com/wp-content/themes/justnews6.0.1/functions.php on line 1175
Warning: Undefined variable $case in /www/wwwroot/www.fyzq6.com/wp-content/themes/justnews6.0.1/functions.php on line 1175
Warning: Undefined variable $case in /www/wwwroot/www.fyzq6.com/wp-content/themes/justnews6.0.1/functions.php on line 1177
Warning: Undefined variable $ex_word in /www/wwwroot/www.fyzq6.com/wp-content/themes/justnews6.0.1/functions.php on line 1179
Warning: Undefined variable $ex_word in /www/wwwroot/www.fyzq6.com/wp-content/themes/justnews6.0.1/functions.php on line 1174
Warning: Undefined variable $case in /www/wwwroot/www.fyzq6.com/wp-content/themes/justnews6.0.1/functions.php on line 1174
Warning: Undefined variable $ex_word in /www/wwwroot/www.fyzq6.com/wp-content/themes/justnews6.0.1/functions.php on line 1175
Warning: Undefined variable $case in /www/wwwroot/www.fyzq6.com/wp-content/themes/justnews6.0.1/functions.php on line 1175
Warning: Undefined variable $case in /www/wwwroot/www.fyzq6.com/wp-content/themes/justnews6.0.1/functions.php on line 1177
Warning: Undefined variable $ex_word in /www/wwwroot/www.fyzq6.com/wp-content/themes/justnews6.0.1/functions.php on line 1179
Warning: Undefined variable $ex_word in /www/wwwroot/www.fyzq6.com/wp-content/themes/justnews6.0.1/functions.php on line 1174
Warning: Undefined variable $case in /www/wwwroot/www.fyzq6.com/wp-content/themes/justnews6.0.1/functions.php on line 1174
Warning: Undefined variable $ex_word in /www/wwwroot/www.fyzq6.com/wp-content/themes/justnews6.0.1/functions.php on line 1175
Warning: Undefined variable $case in /www/wwwroot/www.fyzq6.com/wp-content/themes/justnews6.0.1/functions.php on line 1175
Warning: Undefined variable $case in /www/wwwroot/www.fyzq6.com/wp-content/themes/justnews6.0.1/functions.php on line 1177
Warning: Undefined variable $ex_word in /www/wwwroot/www.fyzq6.com/wp-content/themes/justnews6.0.1/functions.php on line 1179
Warning: Undefined variable $ex_word in /www/wwwroot/www.fyzq6.com/wp-content/themes/justnews6.0.1/functions.php on line 1174
Warning: Undefined variable $case in /www/wwwroot/www.fyzq6.com/wp-content/themes/justnews6.0.1/functions.php on line 1174
Warning: Undefined variable $ex_word in /www/wwwroot/www.fyzq6.com/wp-content/themes/justnews6.0.1/functions.php on line 1175
Warning: Undefined variable $case in /www/wwwroot/www.fyzq6.com/wp-content/themes/justnews6.0.1/functions.php on line 1175
Warning: Undefined variable $case in /www/wwwroot/www.fyzq6.com/wp-content/themes/justnews6.0.1/functions.php on line 1177
Warning: Undefined variable $ex_word in /www/wwwroot/www.fyzq6.com/wp-content/themes/justnews6.0.1/functions.php on line 1179
图为葛成祥正在逐只检查兔子。 曲思齐 摄 中新网通辽3月15日电 题:特色养殖“百花齐放” 内蒙古库伦旗托起乡村致富梦 中新网记者 张林虎 春光明媚,走进内蒙古自治区通辽市库伦旗六…
2023年4月7日 -
没有大资金就不做生意?这个小型加工业,销售渠道好找,投资还小
Warning: Undefined variable $ex_word in /www/wwwroot/www.fyzq6.com/wp-content/themes/justnews6.0.1/functions.php on line 1174
Warning: Undefined variable $case in /www/wwwroot/www.fyzq6.com/wp-content/themes/justnews6.0.1/functions.php on line 1174
Warning: Undefined variable $ex_word in /www/wwwroot/www.fyzq6.com/wp-content/themes/justnews6.0.1/functions.php on line 1175
Warning: Undefined variable $case in /www/wwwroot/www.fyzq6.com/wp-content/themes/justnews6.0.1/functions.php on line 1175
Warning: Undefined variable $case in /www/wwwroot/www.fyzq6.com/wp-content/themes/justnews6.0.1/functions.php on line 1177
Warning: Undefined variable $ex_word in /www/wwwroot/www.fyzq6.com/wp-content/themes/justnews6.0.1/functions.php on line 1179
Warning: Undefined variable $ex_word in /www/wwwroot/www.fyzq6.com/wp-content/themes/justnews6.0.1/functions.php on line 1174
Warning: Undefined variable $case in /www/wwwroot/www.fyzq6.com/wp-content/themes/justnews6.0.1/functions.php on line 1174
Warning: Undefined variable $ex_word in /www/wwwroot/www.fyzq6.com/wp-content/themes/justnews6.0.1/functions.php on line 1175
Warning: Undefined variable $case in /www/wwwroot/www.fyzq6.com/wp-content/themes/justnews6.0.1/functions.php on line 1175
Warning: Undefined variable $case in /www/wwwroot/www.fyzq6.com/wp-content/themes/justnews6.0.1/functions.php on line 1177
Warning: Undefined variable $ex_word in /www/wwwroot/www.fyzq6.com/wp-content/themes/justnews6.0.1/functions.php on line 1179
要说起创业,不少人都会认为得有资源,或者是得有雄厚的资金,否则就老老实实去打工。其实这种想法是错误的,尽管创业做生意不是那么容易,但至少也是普通人翻身致富的一种有效途径了,所以想法…
2023年3月27日 -
2个人经营也能年入20万,这个小生意不愁销路,不用拼人脉也能干
Warning: Undefined variable $ex_word in /www/wwwroot/www.fyzq6.com/wp-content/themes/justnews6.0.1/functions.php on line 1174
Warning: Undefined variable $case in /www/wwwroot/www.fyzq6.com/wp-content/themes/justnews6.0.1/functions.php on line 1174
Warning: Undefined variable $ex_word in /www/wwwroot/www.fyzq6.com/wp-content/themes/justnews6.0.1/functions.php on line 1175
Warning: Undefined variable $case in /www/wwwroot/www.fyzq6.com/wp-content/themes/justnews6.0.1/functions.php on line 1175
Warning: Undefined variable $case in /www/wwwroot/www.fyzq6.com/wp-content/themes/justnews6.0.1/functions.php on line 1177
Warning: Undefined variable $ex_word in /www/wwwroot/www.fyzq6.com/wp-content/themes/justnews6.0.1/functions.php on line 1179
Warning: Undefined variable $ex_word in /www/wwwroot/www.fyzq6.com/wp-content/themes/justnews6.0.1/functions.php on line 1174
Warning: Undefined variable $case in /www/wwwroot/www.fyzq6.com/wp-content/themes/justnews6.0.1/functions.php on line 1174
Warning: Undefined variable $ex_word in /www/wwwroot/www.fyzq6.com/wp-content/themes/justnews6.0.1/functions.php on line 1175
Warning: Undefined variable $case in /www/wwwroot/www.fyzq6.com/wp-content/themes/justnews6.0.1/functions.php on line 1175
Warning: Undefined variable $case in /www/wwwroot/www.fyzq6.com/wp-content/themes/justnews6.0.1/functions.php on line 1177
Warning: Undefined variable $ex_word in /www/wwwroot/www.fyzq6.com/wp-content/themes/justnews6.0.1/functions.php on line 1179
说起废铁行业,想必大家都不陌生,在前些年确实有人靠这种行业赚到了大钱,但是现如今这个行业也是内卷比较严重,退出这个行业的人也越来越多了! 从整体来看,这个行业比起前些年确实是落寞了…
-
剧本杀,携手文旅出圈?
Warning: Undefined variable $ex_word in /www/wwwroot/www.fyzq6.com/wp-content/themes/justnews6.0.1/functions.php on line 1174
Warning: Undefined variable $case in /www/wwwroot/www.fyzq6.com/wp-content/themes/justnews6.0.1/functions.php on line 1174
Warning: Undefined variable $ex_word in /www/wwwroot/www.fyzq6.com/wp-content/themes/justnews6.0.1/functions.php on line 1175
Warning: Undefined variable $case in /www/wwwroot/www.fyzq6.com/wp-content/themes/justnews6.0.1/functions.php on line 1175
Warning: Undefined variable $case in /www/wwwroot/www.fyzq6.com/wp-content/themes/justnews6.0.1/functions.php on line 1177
Warning: Undefined variable $ex_word in /www/wwwroot/www.fyzq6.com/wp-content/themes/justnews6.0.1/functions.php on line 1179
Warning: Undefined variable $ex_word in /www/wwwroot/www.fyzq6.com/wp-content/themes/justnews6.0.1/functions.php on line 1174
Warning: Undefined variable $case in /www/wwwroot/www.fyzq6.com/wp-content/themes/justnews6.0.1/functions.php on line 1174
Warning: Undefined variable $ex_word in /www/wwwroot/www.fyzq6.com/wp-content/themes/justnews6.0.1/functions.php on line 1175
Warning: Undefined variable $case in /www/wwwroot/www.fyzq6.com/wp-content/themes/justnews6.0.1/functions.php on line 1175
Warning: Undefined variable $case in /www/wwwroot/www.fyzq6.com/wp-content/themes/justnews6.0.1/functions.php on line 1177
Warning: Undefined variable $ex_word in /www/wwwroot/www.fyzq6.com/wp-content/themes/justnews6.0.1/functions.php on line 1179
Warning: Undefined variable $ex_word in /www/wwwroot/www.fyzq6.com/wp-content/themes/justnews6.0.1/functions.php on line 1174
Warning: Undefined variable $case in /www/wwwroot/www.fyzq6.com/wp-content/themes/justnews6.0.1/functions.php on line 1174
Warning: Undefined variable $ex_word in /www/wwwroot/www.fyzq6.com/wp-content/themes/justnews6.0.1/functions.php on line 1175
Warning: Undefined variable $case in /www/wwwroot/www.fyzq6.com/wp-content/themes/justnews6.0.1/functions.php on line 1175
Warning: Undefined variable $case in /www/wwwroot/www.fyzq6.com/wp-content/themes/justnews6.0.1/functions.php on line 1177
Warning: Undefined variable $ex_word in /www/wwwroot/www.fyzq6.com/wp-content/themes/justnews6.0.1/functions.php on line 1179
Warning: Undefined variable $ex_word in /www/wwwroot/www.fyzq6.com/wp-content/themes/justnews6.0.1/functions.php on line 1174
Warning: Undefined variable $case in /www/wwwroot/www.fyzq6.com/wp-content/themes/justnews6.0.1/functions.php on line 1174
Warning: Undefined variable $ex_word in /www/wwwroot/www.fyzq6.com/wp-content/themes/justnews6.0.1/functions.php on line 1175
Warning: Undefined variable $case in /www/wwwroot/www.fyzq6.com/wp-content/themes/justnews6.0.1/functions.php on line 1175
Warning: Undefined variable $case in /www/wwwroot/www.fyzq6.com/wp-content/themes/justnews6.0.1/functions.php on line 1177
Warning: Undefined variable $ex_word in /www/wwwroot/www.fyzq6.com/wp-content/themes/justnews6.0.1/functions.php on line 1179
Warning: Undefined variable $ex_word in /www/wwwroot/www.fyzq6.com/wp-content/themes/justnews6.0.1/functions.php on line 1174
Warning: Undefined variable $case in /www/wwwroot/www.fyzq6.com/wp-content/themes/justnews6.0.1/functions.php on line 1174
Warning: Undefined variable $ex_word in /www/wwwroot/www.fyzq6.com/wp-content/themes/justnews6.0.1/functions.php on line 1175
Warning: Undefined variable $case in /www/wwwroot/www.fyzq6.com/wp-content/themes/justnews6.0.1/functions.php on line 1175
Warning: Undefined variable $case in /www/wwwroot/www.fyzq6.com/wp-content/themes/justnews6.0.1/functions.php on line 1177
Warning: Undefined variable $ex_word in /www/wwwroot/www.fyzq6.com/wp-content/themes/justnews6.0.1/functions.php on line 1179
作者:田可新 王岩 近年来,剧本杀在年轻群体之间火爆异常,极强的沉浸性和互动性迅速俘获90后、00后,已成为Z世代新的娱乐选择。根据智研咨询提供的数据,预计2022年剧本杀行业市场…
-
三大通信运营商推出的0月租流量卡,是套路吗?
据我所知,三大运营商最便宜的手机卡是电信的“大三元卡”,每个月3块钱月租费,还送来电显示。还有一些虚拟运营商的月租也很便宜,但最低也要1块钱,不送来电显示。从来没有听说过三大运营商…
2024年8月10日 -
我,20岁靠养竹鼠年入百万
Warning: Undefined variable $ex_word in /www/wwwroot/www.fyzq6.com/wp-content/themes/justnews6.0.1/functions.php on line 1174
Warning: Undefined variable $case in /www/wwwroot/www.fyzq6.com/wp-content/themes/justnews6.0.1/functions.php on line 1174
Warning: Undefined variable $ex_word in /www/wwwroot/www.fyzq6.com/wp-content/themes/justnews6.0.1/functions.php on line 1175
Warning: Undefined variable $case in /www/wwwroot/www.fyzq6.com/wp-content/themes/justnews6.0.1/functions.php on line 1175
Warning: Undefined variable $case in /www/wwwroot/www.fyzq6.com/wp-content/themes/justnews6.0.1/functions.php on line 1177
Warning: Undefined variable $ex_word in /www/wwwroot/www.fyzq6.com/wp-content/themes/justnews6.0.1/functions.php on line 1179
Warning: Undefined variable $ex_word in /www/wwwroot/www.fyzq6.com/wp-content/themes/justnews6.0.1/functions.php on line 1174
Warning: Undefined variable $case in /www/wwwroot/www.fyzq6.com/wp-content/themes/justnews6.0.1/functions.php on line 1174
Warning: Undefined variable $ex_word in /www/wwwroot/www.fyzq6.com/wp-content/themes/justnews6.0.1/functions.php on line 1175
Warning: Undefined variable $case in /www/wwwroot/www.fyzq6.com/wp-content/themes/justnews6.0.1/functions.php on line 1175
Warning: Undefined variable $case in /www/wwwroot/www.fyzq6.com/wp-content/themes/justnews6.0.1/functions.php on line 1177
Warning: Undefined variable $ex_word in /www/wwwroot/www.fyzq6.com/wp-content/themes/justnews6.0.1/functions.php on line 1179
Warning: Undefined variable $ex_word in /www/wwwroot/www.fyzq6.com/wp-content/themes/justnews6.0.1/functions.php on line 1174
Warning: Undefined variable $case in /www/wwwroot/www.fyzq6.com/wp-content/themes/justnews6.0.1/functions.php on line 1174
Warning: Undefined variable $ex_word in /www/wwwroot/www.fyzq6.com/wp-content/themes/justnews6.0.1/functions.php on line 1175
Warning: Undefined variable $case in /www/wwwroot/www.fyzq6.com/wp-content/themes/justnews6.0.1/functions.php on line 1175
Warning: Undefined variable $case in /www/wwwroot/www.fyzq6.com/wp-content/themes/justnews6.0.1/functions.php on line 1177
Warning: Undefined variable $ex_word in /www/wwwroot/www.fyzq6.com/wp-content/themes/justnews6.0.1/functions.php on line 1179
大家好我是瑶族兄弟分享日常,今天我们了解到一位养殖户。 我叫小林,今年20岁,小学毕业的我从16岁就开始养殖,如今有4年的养殖竹鼠经验。 现在规模有10000平米,我是采用立式笼养…
2023年3月15日 -
1年能挣十几万,干这2种小型生意,比大买卖风险小,比打工自由
Warning: Undefined variable $ex_word in /www/wwwroot/www.fyzq6.com/wp-content/themes/justnews6.0.1/functions.php on line 1174
Warning: Undefined variable $case in /www/wwwroot/www.fyzq6.com/wp-content/themes/justnews6.0.1/functions.php on line 1174
Warning: Undefined variable $ex_word in /www/wwwroot/www.fyzq6.com/wp-content/themes/justnews6.0.1/functions.php on line 1175
Warning: Undefined variable $case in /www/wwwroot/www.fyzq6.com/wp-content/themes/justnews6.0.1/functions.php on line 1175
Warning: Undefined variable $case in /www/wwwroot/www.fyzq6.com/wp-content/themes/justnews6.0.1/functions.php on line 1177
Warning: Undefined variable $ex_word in /www/wwwroot/www.fyzq6.com/wp-content/themes/justnews6.0.1/functions.php on line 1179
Warning: Undefined variable $ex_word in /www/wwwroot/www.fyzq6.com/wp-content/themes/justnews6.0.1/functions.php on line 1174
Warning: Undefined variable $case in /www/wwwroot/www.fyzq6.com/wp-content/themes/justnews6.0.1/functions.php on line 1174
Warning: Undefined variable $ex_word in /www/wwwroot/www.fyzq6.com/wp-content/themes/justnews6.0.1/functions.php on line 1175
Warning: Undefined variable $case in /www/wwwroot/www.fyzq6.com/wp-content/themes/justnews6.0.1/functions.php on line 1175
Warning: Undefined variable $case in /www/wwwroot/www.fyzq6.com/wp-content/themes/justnews6.0.1/functions.php on line 1177
Warning: Undefined variable $ex_word in /www/wwwroot/www.fyzq6.com/wp-content/themes/justnews6.0.1/functions.php on line 1179
现如今,想要创业又没有一技之长,难道就只能跟风去做奶茶店、服装店、餐饮店等这些行业吗?虽说这些行业在市场上已经算是比较稳定,也比较容易入门的,但它的竞争压力也确实不小。 其实有些行…
2023年3月24日 -
趋势思考2022下半年,关于中国经济环境中的风口机遇分析思考
Warning: Undefined variable $ex_word in /www/wwwroot/www.fyzq6.com/wp-content/themes/justnews6.0.1/functions.php on line 1174
Warning: Undefined variable $case in /www/wwwroot/www.fyzq6.com/wp-content/themes/justnews6.0.1/functions.php on line 1174
Warning: Undefined variable $ex_word in /www/wwwroot/www.fyzq6.com/wp-content/themes/justnews6.0.1/functions.php on line 1175
Warning: Undefined variable $case in /www/wwwroot/www.fyzq6.com/wp-content/themes/justnews6.0.1/functions.php on line 1175
Warning: Undefined variable $case in /www/wwwroot/www.fyzq6.com/wp-content/themes/justnews6.0.1/functions.php on line 1177
Warning: Undefined variable $ex_word in /www/wwwroot/www.fyzq6.com/wp-content/themes/justnews6.0.1/functions.php on line 1179
Warning: Undefined variable $ex_word in /www/wwwroot/www.fyzq6.com/wp-content/themes/justnews6.0.1/functions.php on line 1174
Warning: Undefined variable $case in /www/wwwroot/www.fyzq6.com/wp-content/themes/justnews6.0.1/functions.php on line 1174
Warning: Undefined variable $ex_word in /www/wwwroot/www.fyzq6.com/wp-content/themes/justnews6.0.1/functions.php on line 1175
Warning: Undefined variable $case in /www/wwwroot/www.fyzq6.com/wp-content/themes/justnews6.0.1/functions.php on line 1175
Warning: Undefined variable $case in /www/wwwroot/www.fyzq6.com/wp-content/themes/justnews6.0.1/functions.php on line 1177
Warning: Undefined variable $ex_word in /www/wwwroot/www.fyzq6.com/wp-content/themes/justnews6.0.1/functions.php on line 1179
Warning: Undefined variable $ex_word in /www/wwwroot/www.fyzq6.com/wp-content/themes/justnews6.0.1/functions.php on line 1174
Warning: Undefined variable $case in /www/wwwroot/www.fyzq6.com/wp-content/themes/justnews6.0.1/functions.php on line 1174
Warning: Undefined variable $ex_word in /www/wwwroot/www.fyzq6.com/wp-content/themes/justnews6.0.1/functions.php on line 1175
Warning: Undefined variable $case in /www/wwwroot/www.fyzq6.com/wp-content/themes/justnews6.0.1/functions.php on line 1175
Warning: Undefined variable $case in /www/wwwroot/www.fyzq6.com/wp-content/themes/justnews6.0.1/functions.php on line 1177
Warning: Undefined variable $ex_word in /www/wwwroot/www.fyzq6.com/wp-content/themes/justnews6.0.1/functions.php on line 1179
Warning: Undefined variable $ex_word in /www/wwwroot/www.fyzq6.com/wp-content/themes/justnews6.0.1/functions.php on line 1174
Warning: Undefined variable $case in /www/wwwroot/www.fyzq6.com/wp-content/themes/justnews6.0.1/functions.php on line 1174
Warning: Undefined variable $ex_word in /www/wwwroot/www.fyzq6.com/wp-content/themes/justnews6.0.1/functions.php on line 1175
Warning: Undefined variable $case in /www/wwwroot/www.fyzq6.com/wp-content/themes/justnews6.0.1/functions.php on line 1175
Warning: Undefined variable $case in /www/wwwroot/www.fyzq6.com/wp-content/themes/justnews6.0.1/functions.php on line 1177
Warning: Undefined variable $ex_word in /www/wwwroot/www.fyzq6.com/wp-content/themes/justnews6.0.1/functions.php on line 1179
这是熊猫贝贝的第1188篇原创文章: 经历了魔幻,甚至可以说艰难的上半年,2022年已经正式进入下半年,这对于所有中国人以及各行各业来说,是一个非常重要的全新起点。 不管是被时代裹…
-
花甲老人放弃铁饭碗创业,匠心传承豆腐,年入3000万
Warning: Undefined variable $ex_word in /www/wwwroot/www.fyzq6.com/wp-content/themes/justnews6.0.1/functions.php on line 1174
Warning: Undefined variable $case in /www/wwwroot/www.fyzq6.com/wp-content/themes/justnews6.0.1/functions.php on line 1174
Warning: Undefined variable $ex_word in /www/wwwroot/www.fyzq6.com/wp-content/themes/justnews6.0.1/functions.php on line 1175
Warning: Undefined variable $case in /www/wwwroot/www.fyzq6.com/wp-content/themes/justnews6.0.1/functions.php on line 1175
Warning: Undefined variable $case in /www/wwwroot/www.fyzq6.com/wp-content/themes/justnews6.0.1/functions.php on line 1177
Warning: Undefined variable $ex_word in /www/wwwroot/www.fyzq6.com/wp-content/themes/justnews6.0.1/functions.php on line 1179
Warning: Undefined variable $ex_word in /www/wwwroot/www.fyzq6.com/wp-content/themes/justnews6.0.1/functions.php on line 1174
Warning: Undefined variable $case in /www/wwwroot/www.fyzq6.com/wp-content/themes/justnews6.0.1/functions.php on line 1174
Warning: Undefined variable $ex_word in /www/wwwroot/www.fyzq6.com/wp-content/themes/justnews6.0.1/functions.php on line 1175
Warning: Undefined variable $case in /www/wwwroot/www.fyzq6.com/wp-content/themes/justnews6.0.1/functions.php on line 1175
Warning: Undefined variable $case in /www/wwwroot/www.fyzq6.com/wp-content/themes/justnews6.0.1/functions.php on line 1177
Warning: Undefined variable $ex_word in /www/wwwroot/www.fyzq6.com/wp-content/themes/justnews6.0.1/functions.php on line 1179
Warning: Undefined variable $ex_word in /www/wwwroot/www.fyzq6.com/wp-content/themes/justnews6.0.1/functions.php on line 1174
Warning: Undefined variable $case in /www/wwwroot/www.fyzq6.com/wp-content/themes/justnews6.0.1/functions.php on line 1174
Warning: Undefined variable $ex_word in /www/wwwroot/www.fyzq6.com/wp-content/themes/justnews6.0.1/functions.php on line 1175
Warning: Undefined variable $case in /www/wwwroot/www.fyzq6.com/wp-content/themes/justnews6.0.1/functions.php on line 1175
Warning: Undefined variable $case in /www/wwwroot/www.fyzq6.com/wp-content/themes/justnews6.0.1/functions.php on line 1177
Warning: Undefined variable $ex_word in /www/wwwroot/www.fyzq6.com/wp-content/themes/justnews6.0.1/functions.php on line 1179
Warning: Undefined variable $ex_word in /www/wwwroot/www.fyzq6.com/wp-content/themes/justnews6.0.1/functions.php on line 1174
Warning: Undefined variable $case in /www/wwwroot/www.fyzq6.com/wp-content/themes/justnews6.0.1/functions.php on line 1174
Warning: Undefined variable $ex_word in /www/wwwroot/www.fyzq6.com/wp-content/themes/justnews6.0.1/functions.php on line 1175
Warning: Undefined variable $case in /www/wwwroot/www.fyzq6.com/wp-content/themes/justnews6.0.1/functions.php on line 1175
Warning: Undefined variable $case in /www/wwwroot/www.fyzq6.com/wp-content/themes/justnews6.0.1/functions.php on line 1177
Warning: Undefined variable $ex_word in /www/wwwroot/www.fyzq6.com/wp-content/themes/justnews6.0.1/functions.php on line 1179
花甲老人提前退休,不顾家人反对,回乡创业卖豆腐。他特别注重品质和细节,为了一口熟悉的豆腐香,不断改进工艺,最终将小豆腐做成大产业,年收入3000万元。 他是如何做出香气扑鼻的豆腐?…
2022年9月28日

